Material of main parts: Body, bonnet, valve plate: carbon steel or aluminum alloy
Seal ring: NBR
Applicable media: Pure air, noncorrosive gases...
Applicable Temperature: -30~+150℃
Shanghai Metal Corporation is experienced manufacturer of vacuum valve in China since 1980s.
The vacuum valve refers to a vacuum system component used to change the direction of airflow, adjust the flow rate, and cut off or connect pipelines in a vacuum system. Vacuum valve closing components are sealed with sealing rings such as rubber seals or metal seals. The bellows of the bellows globe valve are made of stainless steel, high zinc brass JI80, plastic, and other materials. Diaphragm sealing can be used for shut-off valves with small diameters (diameter below 10 millimeters). Spherical plug valves can be used for low and medium vacuum.
If you want to know more about vacuum valve price, please feel free to contact us, we will reply you within 24 hours.
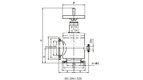
Technical Information of Vacuum Valve:

|
Loose Flange Connection |
||||||||
|
Model |
DN |
D |
Do |
D2 |
A |
P |
H |
n-φc |
|
GD-J50b |
50 |
110 |
90 |
55 |
70 |
78 |
203 |
4-φ9 |
|
GD-J63 |
63 |
130 |
110 |
68 |
88 |
114 |
380 |
4-φ9 |
|
GD-J80 |
80 |
145 |
125 |
85 |
98 |
140 |
400 |
8-φ9 |
|
GD-J100 |
100 |
165 |
145 |
105 |
108 |
160 |
420 |
8-φ9 |
|
GD-J/S160 |
160 |
225 |
200 |
165 |
158 |
245 |
575 |
8-φ11 |
|
GD-J/S200 |
200 |
285 |
260 |
208 |
200 |
273 |
655 |
12-φ11 |
|
GD-J/S250 |
250 |
335 |
310 |
258 |
208 |
325 |
690 |
12-φ11 |
|
GD-J/S320 |
320 |
425 |
395 |
328 |
250 |
426 |
785 |
12-φ14 |
|
GD-J/S150 |
150 |
220 |
195 |
156 |
158 |
245 |
575 |
8-φ12 |
|
GD-J/S300 |
300 |
380 |
350 |
308 |
250 |
406 |
785 |
8-φ14 |
Packaging of Vacuum Valve:
Products of Shanghai Metal Corporation are packed and labeled according to the regulations and customer's requests. Great care is taken to avoid any damage which might be caused during storage or transportation. In addition, clear labels are tagged on the outside of the packages for easy identification of the product I. D. and quality information.
1)SMC Standard
2)Customization
